PL101-R信号读写头索尼Magnescale
用于贴装磁栅尺的读头电缆组件
PL101-R信号读写头索尼Magnescale特点:
与SL700组合,检测直线上的位置及移动距离,并输出模拟信号。此外,还与MJ500/600组合,输出A/B相(脉冲)信号
读头和栅尺为非接触式
由于采用磁检测方式,所以耐污垢,油污等的能力强,此外,还具有较强的耐振动性和耐冲击性
可根据用途进行各种选择
PL101-R信号读写头索尼Magnescale配置图:

PL101-R信号读写头索尼Magnescale技术参数:
| 主要规格 | |||
|---|---|---|---|
*1 请参照外形尺寸图 记载内容如有变更,恕不另行通知 | |||
| 型号 | PL101-R | PL101-RH | |
| 防护等级 | 相当于IP50 | 相当于IP67 (连接器除外) | |
| 原点 | 有 | ||
| 精度 (20℃时) | ±10μm (取决于与SL700系列的组合) | ||
| 间隔*1 | 0.35 ± 0.1 mm | ||
| 置位 | ±0.2mm | ||
| 姿势变化 | Pitch*1 | ±0.1° | |
| Yaw*1 | ±0.2° | ||
| Roll*1 | ±0.2° | ||
| 输出信号 | 1Vp-p 模拟输出 差动型输出 | ||
| 电源电压 | DC 5V ± 5% | ||
| 功耗 | Max.0.8W | ||
| 读头电缆长度 | 300mm | 3000mm | |
| 质量 | 60g | 150g | |
| 工作温度范围 | 0 ~ +45℃ | ||
| 保存温度范围 | -20 ~ +50℃ | ||
| 延长电缆 (另售) | CE08-01:1m CE08-03:3m CE08-05:5m CE08-10:10m CK-T12:1m CK-T13:3m CK-T14:5m CK-T15:10m | ||
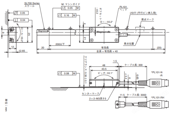
PL101-R信号读写头索尼Magnescale产品尺寸图:

网站客服咨询客服
热线电话:
13962107506
